|
Poslao: 08 Jul 2008 03:05
|
offline
- cera91

- Novi MyCity građanin
- Pridružio: 08 Jul 2008
- Poruke: 11
- Gde živiš: Beograd(bezanija)
|
Pozdrav svima
E ovako trebala bi mi neka sema uredjaja koji bi omogucio led diodi da cas sija u jednu biju cas u drugu.LED dioda radi na 3V (jednosmerna naravno).Ovo pokusavam da napravim vec duze vreme ali ne mogu da nadjem odgovarajucu semu. Moze li mi neko pomoci????
Unapred hvala
|
|
|
|
|
Registruj se da bi učestvovao u diskusiji. Registrovanim korisnicima se NE prikazuju reklame unutar poruka.
|
|
|
Poslao: 08 Jul 2008 09:54
|
offline
- branko62

- Elitni građanin
- Pridružio: 16 Mar 2008
- Poruke: 1567
- Gde živiš: Novi Sad
|
Da li te dve ledovke imaju posebne izvode ili zajednicku katodu ili tako nesto ?
|
|
|
|
|
|
|
|
|
Poslao: 08 Jul 2008 14:44
|
offline
- Pridružio: 06 Feb 2008
- Poruke: 253
- Gde živiš: PRIJEPOLJE - SRBIJA
|
cera91 ::
Da li je ovo pomoglo?
ovako nemoze jer bi jedna stalno gorela a druga ne
koliko sam razumeo tebi treba da jedna npr 1sekundu pa da se ugasi a sija druga
za to ce ti trebati neki tranzistor/tiristor i poneki otpornik (da regulise struju u kolu)
e sad kako to povezati ja neznam
|
|
|
|
|
|
|
Poslao: 08 Jul 2008 15:26
|
offline
- cera91

- Novi MyCity građanin
- Pridružio: 08 Jul 2008
- Poruke: 11
- Gde živiš: Beograd(bezanija)
|
To je ta sema al treba mi uredjaj koji ce na izlazu u jednom trenutku da da +- a u drugom -+
|
|
|
|
|
|
|
Poslao: 08 Jul 2008 16:39
|
offline
- Pridružio: 06 Feb 2008
- Poruke: 253
- Gde živiš: PRIJEPOLJE - SRBIJA
|
imala je negde sema za promenu obrtaja jednosmernih motora isto tako sto se menjalo + i - sad cu videti da nadjem
|
|
|
|
|
|
|
Poslao: 08 Jul 2008 16:57
|
offline
- cera91

- Novi MyCity građanin
- Pridružio: 08 Jul 2008
- Poruke: 11
- Gde živiš: Beograd(bezanija)
|
Hvala sto se trudis. Al meni treba nesto sto ce stalno sam da menja polaritet a ne ja stalno da klikcem. Da li je tako nesto moguce?
|
|
|
|
|
|
|
Poslao: 08 Jul 2008 17:29
|
offline
- Riddler

- Elitni građanin
- Pridružio: 16 Jun 2005
- Poruke: 2392
- Gde živiš: Beograd
|
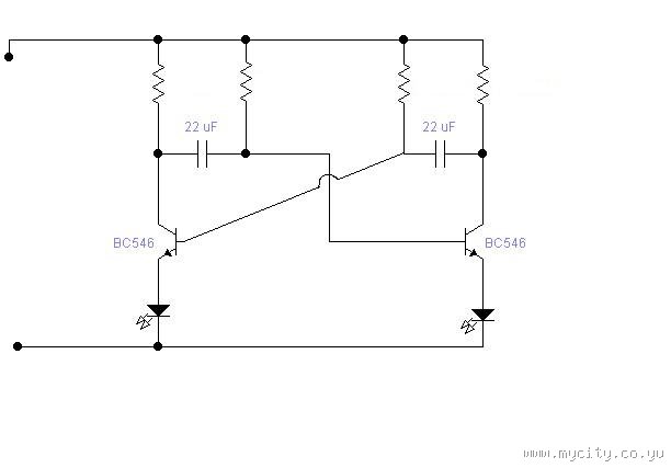
Mozes da promenis semu, ovako radi sigurno, samo ne znam da li ti je vazno vreme promene, posto nije precizno...
Nacrtah po secanju semu, nisam siguran za vrednosti...
Ovi otpornici gore, skroz levi i skroz desni su ~300 oma, a za ove u sredini se ne secam, mislim da su bili 80k-100k oma...
|
|
|
|
|
|
|
Poslao: 08 Jul 2008 17:34
|
offline
- Pridružio: 06 Feb 2008
- Poruke: 253
- Gde živiš: PRIJEPOLJE - SRBIJA
|
koliko se ja razumem u elektroniku da ce vreme promene da zavisi od ovih kondezatora
|
|
|
|
|
|
|
Poslao: 08 Jul 2008 19:02
|
offline
- branko62

- Elitni građanin
- Pridružio: 16 Mar 2008
- Poruke: 1567
- Gde živiš: Novi Sad
|
Nemam sad "alat" da ti nacrtam semu, ali mislim da ce biti dovoljno jasno. Uzmes simetricno napajanje (masa, + i -). 555 napajas izmedju plusa i minusa. Diode povezes izmedju mase i outputa 555 (nozica 3) preko odgovarajuceg otpornika. Semu oscilatora sa 555 verovatno znas. U zavisnosti od brzine treptanja koju zelis, izaberes vrednosti otpornika i kondenzatora (za pocetak 100k i 10mikroF ako neces da racunas, mozes staviti i trimer pa podesiti brzinu treptaja).
Ako ti simetricno napajanje nije zgodno resenje, uzmi obicno,a diode vezi izmedju outputa i srednje tacke dva otpornika koji su vezani izmedju plusa i minusa. Znaci jedan otpornik na plus, drugi kraj tog otpornika vezes sa sledecim otpornikom, drugi kraj tog drugog otpornika na minus. Tu gde se spajaju ti otpornici dobijas "virtuelnu masu" i tu vezes jedan kraj dioda (svejedno koji) a drugi na 555. otpornici neka budu oko 1k.
Ne znam koliko si upucen u elektroniku, da li ti je ovo dovoljno. Ako nije, kazi pa cu ovih dana crtati i napomeni za koju varijantu si se odlucio i koji napon koristis.
|
|
|
|
|
|