|
Poslao: 12 Mar 2011 01:23
|
offline
- branko62

- Elitni građanin
- Pridružio: 16 Mar 2008
- Poruke: 1567
- Gde živiš: Novi Sad
|
Evo jedan zadatak za razmisljanje...
A--------------------------B----------------------C
Na lokaciji A se nalazi trafo za zvonce i zvonce, na lokaciji B je taster - do njega vode naravno 2 zice.
E sad, traba na lokaciji B montirati jos jedan taster koji ce ukljucivati drugo zvonce na lokaciji C. Struje ima samo na lokaciji A. Problem je sto je skoro nemoguce provesti jos zica izmedju A i B, tako da treba pomocu nekih "trikova" to izvesti sa postojecom kablazom. Imam neke ideje kako to uraditi, ali voleo bih da cujem jos neko misljenje.
|
|
|
|
|
Registruj se da bi učestvovao u diskusiji. Registrovanim korisnicima se NE prikazuju reklame unutar poruka.
|
|
|
Poslao: 12 Mar 2011 08:03
|
offline
- Ričard

- Lavlje srce
- Supermoderator
- Zver!
- Electro maintenance engineer
- Pridružio: 28 Nov 2006
- Poruke: 13745
- Gde živiš: Vršac
|
Kroz žice prolazi 220V, ili taster prekida napon sekundara trafoa sa pozicije A.
|
|
|
|
|
|
|
Poslao: 12 Mar 2011 09:07
|
offline
- branko62

- Elitni građanin
- Pridružio: 16 Mar 2008
- Poruke: 1567
- Gde živiš: Novi Sad
|
Ima "trafo za zvonce", dakle nekih 8V naizmenicno ide do tastera.
|
|
|
|
|
|
|
Poslao: 12 Mar 2011 09:30
|
offline
- Ričard

- Lavlje srce
- Supermoderator
- Zver!
- Electro maintenance engineer
- Pridružio: 28 Nov 2006
- Poruke: 13745
- Gde živiš: Vršac
|
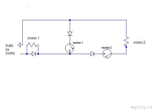
Već nacrtah ovu šemu u slučaju da se prekida 220V. Ista logika se može primeniti i na 8V naizmeničnog napona.
Mana ovo šeme je što kada se pritisne T1 radi samo jedno zvonce, a kada se pritisne T2 rade oba zvonca, a i treba prilagoditi prvo zvonce kada ne radi u rednoj vezi.
|
|
|
|
|
|
|
Poslao: 12 Mar 2011 20:54
|
offline
- mrmr

- Super građanin
- Pridružio: 07 Mar 2008
- Poruke: 1274
- Gde živiš: Medakovic 3 Beograd
|
Ma ima kod brace kineza daljinsko zvonce na baterije nekih 350rsd.,sve radi na baterije znaci i kad nema struje....
|
|
|
|
|
|
|
Poslao: 12 Mar 2011 21:43
|
offline
- branko62

- Elitni građanin
- Pridružio: 16 Mar 2008
- Poruke: 1567
- Gde živiš: Novi Sad
|
Ma znam, pomislio sam na to. Ipak ovo vise postavljam kao glavolomku, da ne zardjamo Evo moje ideje :
|
|
|
|
|
|
|
Poslao: 13 Mar 2011 00:12
|
offline
- trojan

- Ugledni građanin
- Pridružio: 02 Mar 2008
- Poruke: 396
|
@branko62,
ova shema je sasvim ok. tako bih i ja uradio. samo zvona treba da rade na jednosmernu struju.
na dovodu, naravno, naizmenicna struja.
po potrebi, na zvona malo jace elektrolite.
|
|
|
|
|
|
|
Poslao: 23 Mar 2011 17:37
|
offline
- plavii

- Zaslužni građanin
- Zoran - Plavi
- elektronicar , ing. informatike,PENZOS
- Pridružio: 07 Jun 2010
- Poruke: 633
- Gde živiš: BGD
|
Napisano: 13 Mar 2011 13:07
kao glavolomku,
to me podsetilo na semu kad su u vidljivom rednom kolu dve sijalice i dva prekidaca gde svaki prekidac pali "svoju" sijalicu.Trik je da su u kucistima prekidaca i fasunzima sijalica skrivene diode (npr 1N4007).Diode su vezane paralelno prekidacima i sijalicama ali u kontra smerovima.Svaka sijalica svetli u "svojoj" poluperodi pa malo treperi .Sijalice u boji to malo maskiraju a moze se i sloziti prica crveni prekidac pali crvenu a plavi plavu sijalicu.
Dopuna: 13 Mar 2011 13:26
naravno naizmenicna struja
Dopuna: 13 Mar 2011 21:38
Dopuna: 23 Mar 2011 17:37
dobio sam "kritiku" sto je ova sema nazvrljana , crtana je misom , prilicno je jednostavna i mislim da se moze procitati
|
|
|
|
|
|